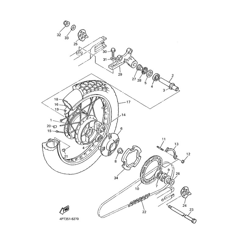
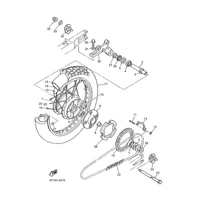
REIFEN
Artikelname: REIFEN
OEM: 94112-1709S [941121709S00]
OEM: 94112-1709S [941121709S00]





















