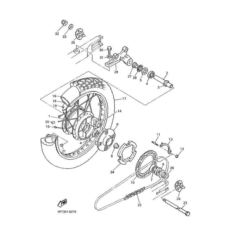
WASHER(4JT)
Artikelname: WASHER(4JT)
OEM: 92907-16200 [929071620000]
OEM: 92907-16200 [929071620000]





















