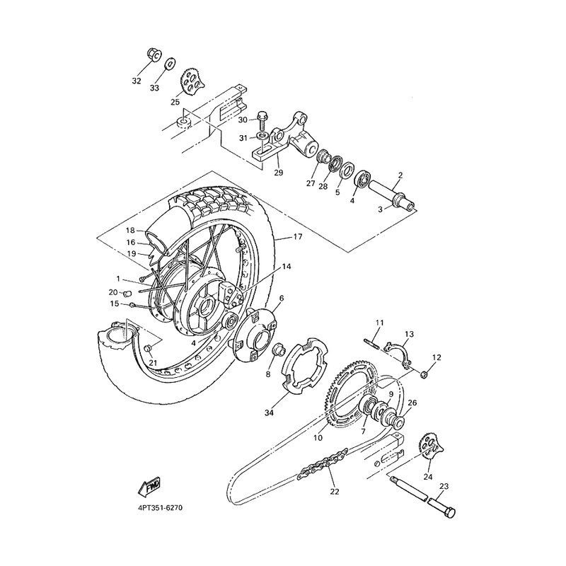
REIFEN
Artikelname: REIFEN
OEM: 94112-1708D [941121708D00]
OEM: 94112-1708D [941121708D00]





















