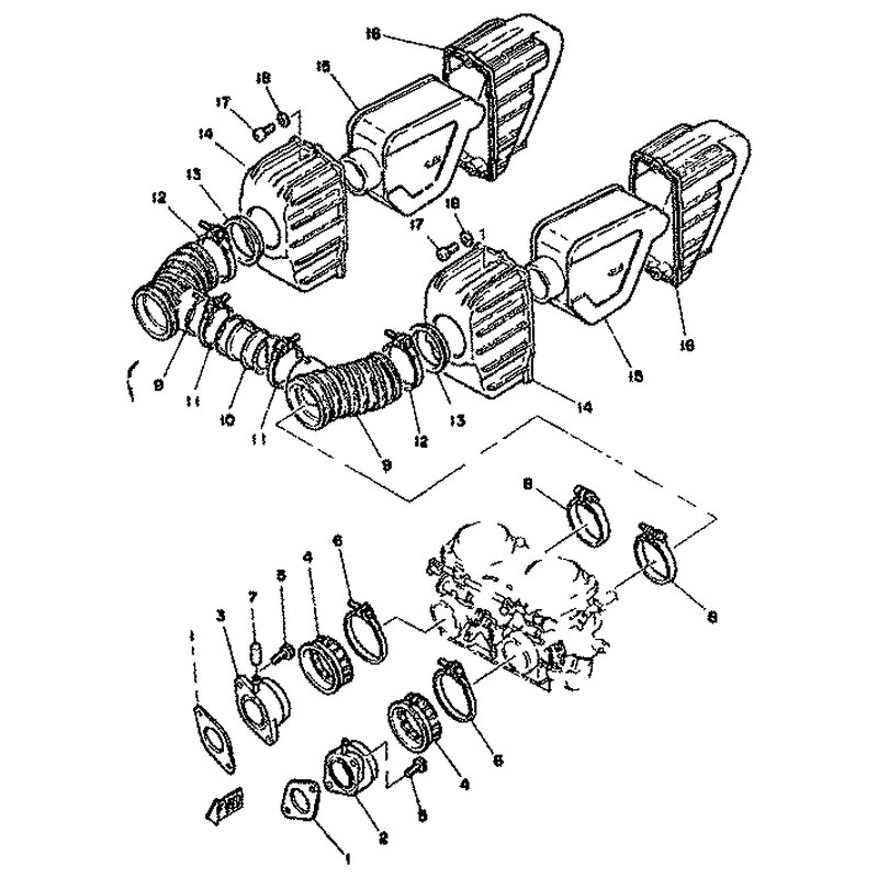
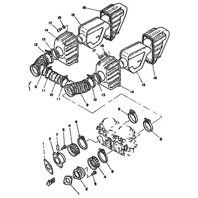
PASSAGE 3
Artikelname: PASSAGE 3
OEM: 90413-40002 [904134000200]
OEM: 90413-40002 [904134000200]






















