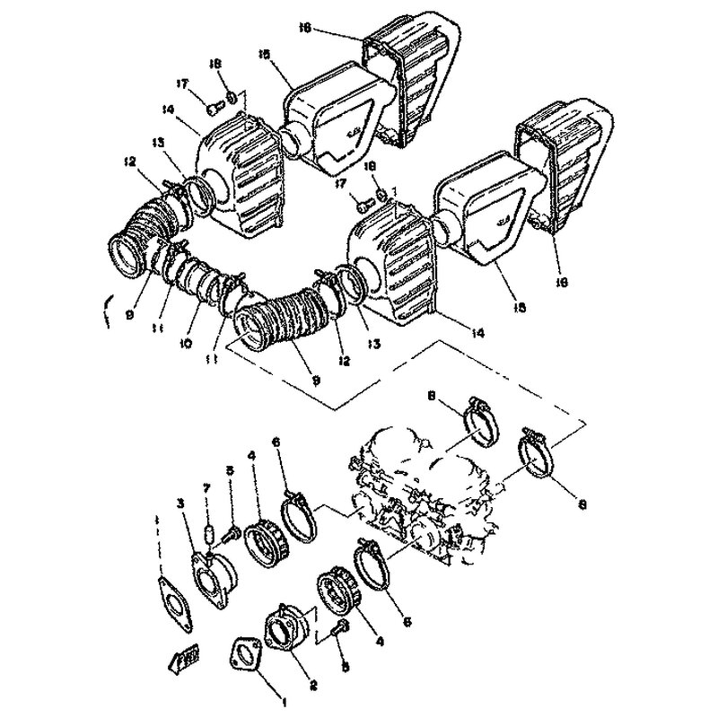
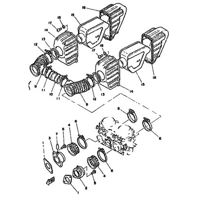
VERBINDUNG, LUFTFILTER 1
Artikelname: VERBINDUNG, LUFTFILTER 1
OEM: 1L9-14453-00 [1L9144530000]
OEM: 1L9-14453-00 [1L9144530000]






















