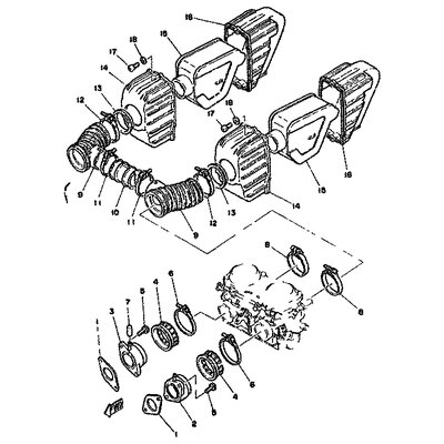
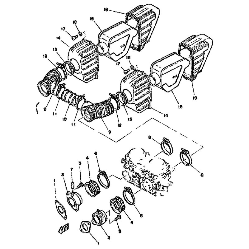
DECKEL, KRUMMER
Artikelname: DECKEL, KRUMMER
OEM: 1L9-13564-01 [1L9135640100]
OEM: 1L9-13564-01 [1L9135640100]






















