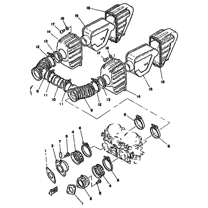
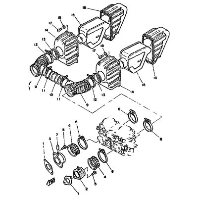
GUMMITULLE
Artikelname: GUMMITULLE
OEM: 90480-50194 [904805019400]
OEM: 90480-50194 [904805019400]






















