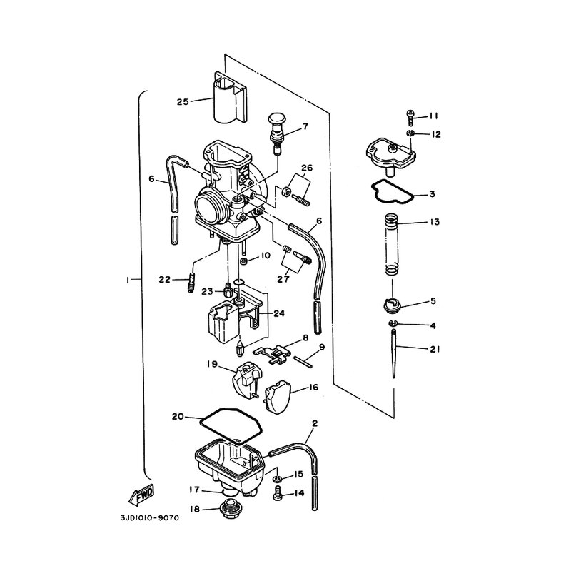
VERGASEREINHEIT 1
Artikelname: VERGASEREINHEIT 1
OEM: 4DB-14101-10 [4DB141011000]
OEM: 4DB-14101-10 [4DB141011000]




















