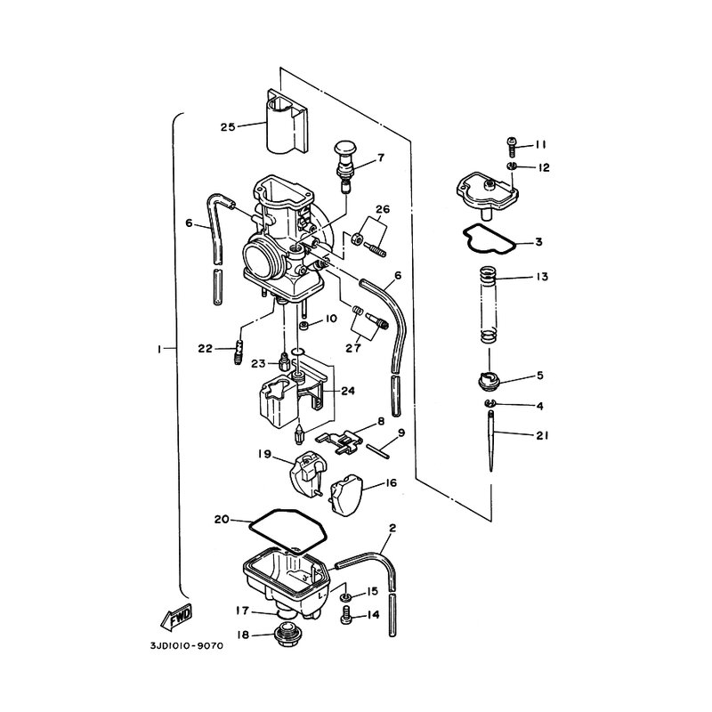
VERSCHLUSSCHRAUBE
Artikelname: VERSCHLUSSCHRAUBE
OEM: 4DB-14115-00 [4DB141150000]
OEM: 4DB-14115-00 [4DB141150000]




















