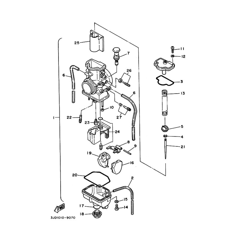
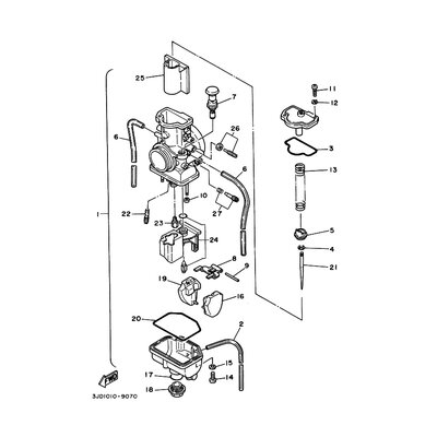
VERGASEREINHEIT 1
Artikelname: VERGASEREINHEIT 1
OEM: 4DB-14101-00 [4DB141010000]
OEM: 4DB-14101-00 [4DB141010000]




















