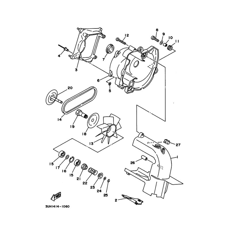
RIEMENSCHEIBE 1
Artikelname: RIEMENSCHEIBE 1
OEM: 3UH-E2618-00 [3UHE26180000]
OEM: 3UH-E2618-00 [3UHE26180000]




















