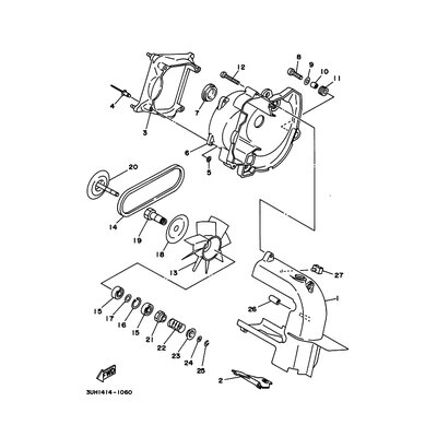
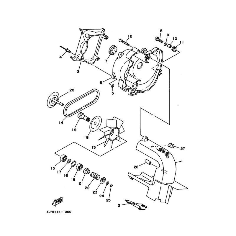
UNTERLEGSCHIBE
Artikelname: UNTERLEGSCHIBE
OEM: 90201-128A1 [90201128A100]
OEM: 90201-128A1 [90201128A100]




















