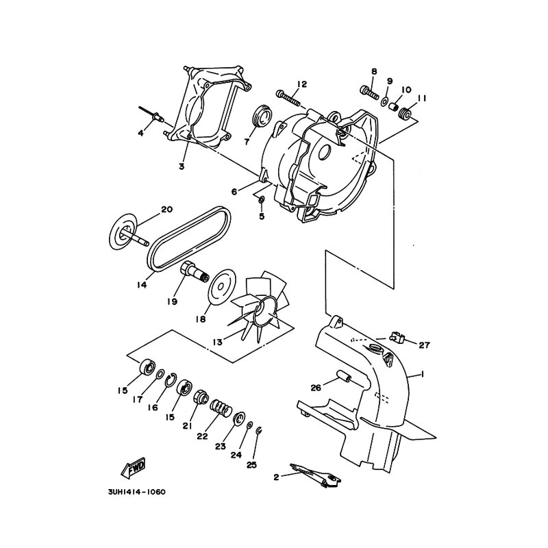
SCHRAUBE
Artikelname: SCHRAUBE
OEM: 3UH-E2615-00 [3UHE26150000]
OEM: 3UH-E2615-00 [3UHE26150000]




















