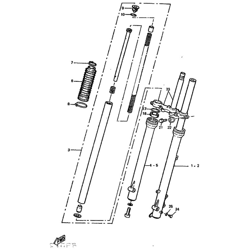
BAND
Artikelname: BAND
OEM: 3HL-F3192-00 [3HLF31920000]
OEM: 3HL-F3192-00 [3HLF31920000]




















