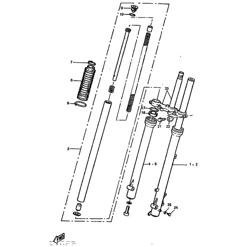
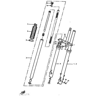
BAND
Artikelname: BAND
OEM: 3HL-F3192-10 [3HLF31921000]
OEM: 3HL-F3192-10 [3HLF31921000]




















