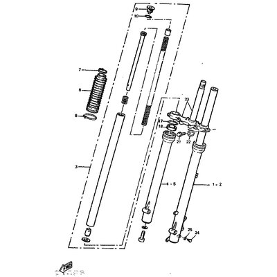
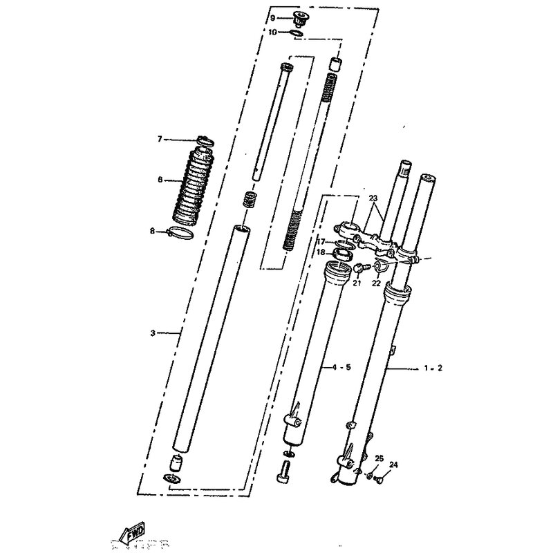
MANSCHETTE
Artikelname: MANSCHETTE
OEM: 3HL-F3191-20 [3HLF31912000]
OEM: 3HL-F3191-20 [3HLF31912000]




















