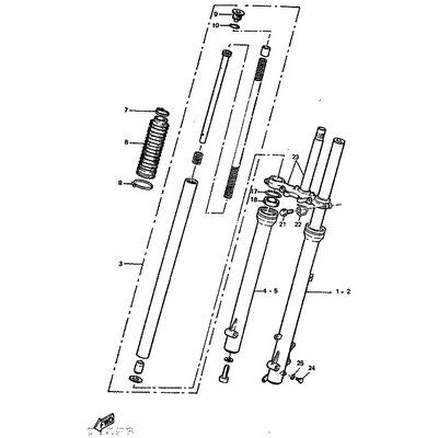
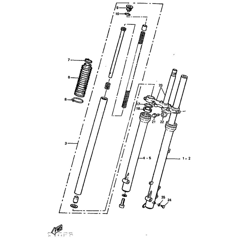
MANSCHETTE
Artikelname: MANSCHETTE
OEM: 3HL-F3191-10 [3HLF31911000]
OEM: 3HL-F3191-10 [3HLF31911000]




















