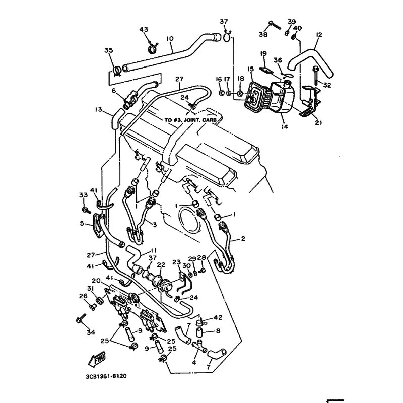
ZUNGENVENTILEINHEIT
Artikelname: ZUNGENVENTILEINHEIT
OEM: 2LJ-14808-00 [2LJ148080000]
OEM: 2LJ-14808-00 [2LJ148080000]






















