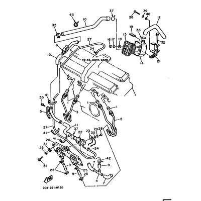
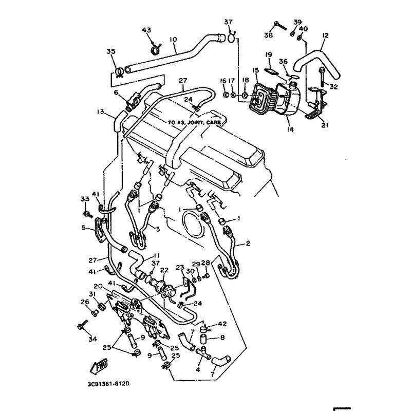
ROHR
Artikelname: ROHR
OEM: 2LJ-14148-00 [2LJ141480000]
OEM: 2LJ-14148-00 [2LJ141480000]






















