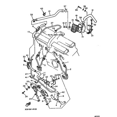
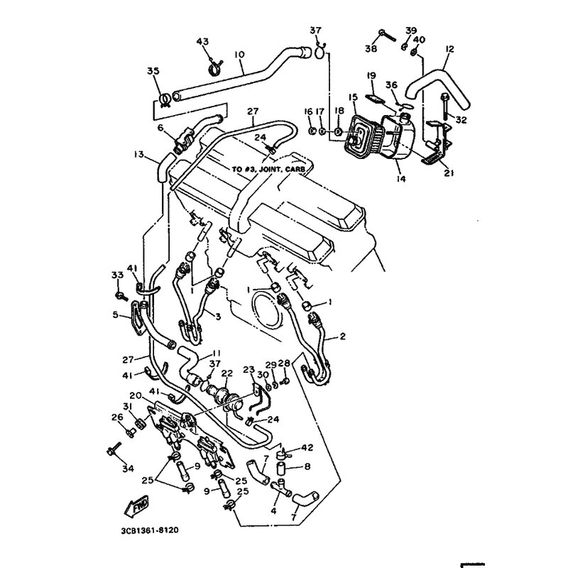
KONSOLE 2
Artikelname: KONSOLE 2
OEM: 2LJ-14868-00 [2LJ148680000]
OEM: 2LJ-14868-00 [2LJ148680000]






















