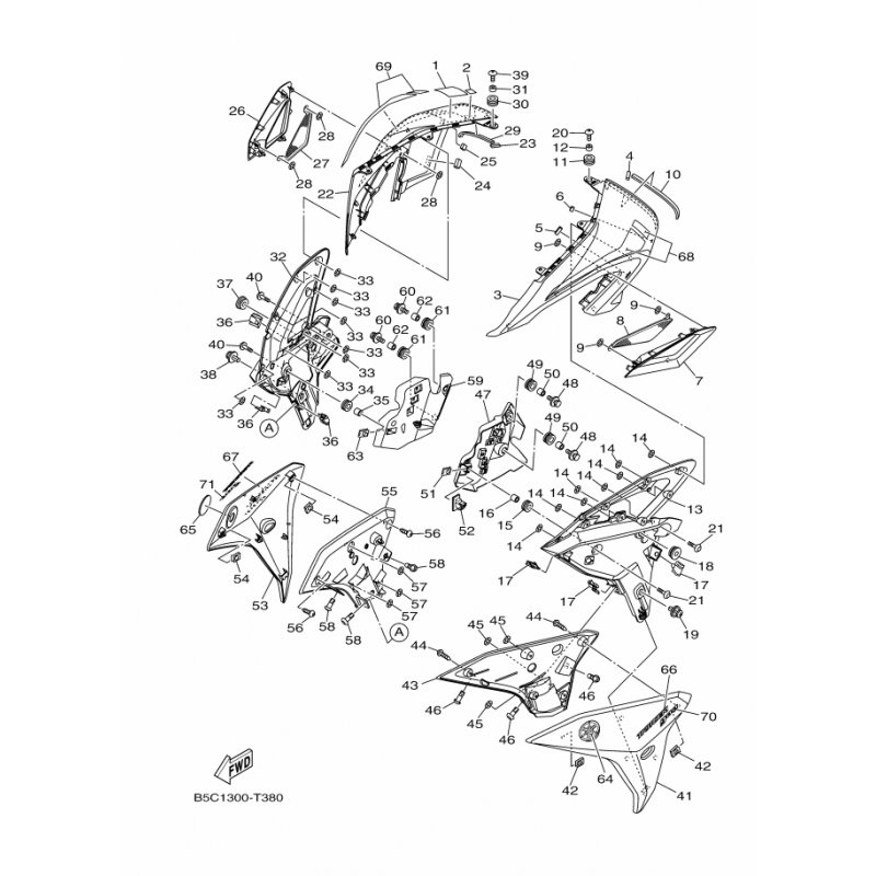
EMBLEM
Artikelname: EMBLEM
Hersteller: Yamaha
OEM Nummer: B5C283281000
Hersteller: Yamaha
OEM Nummer: B5C283281000






















