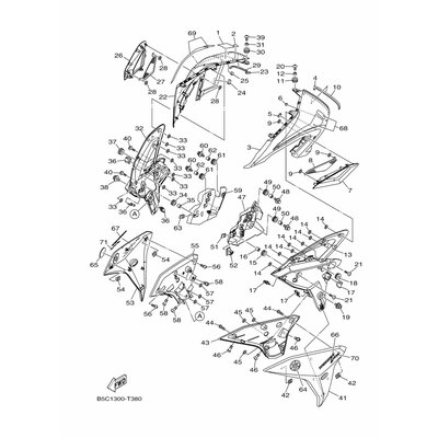
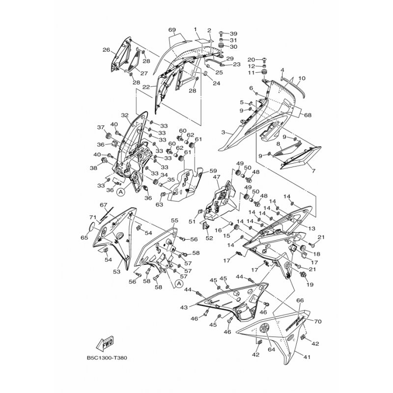
EMBLEM
Artikelname: EMBLEM
Hersteller: Yamaha
OEM Nummer: B5C283280000
Hersteller: Yamaha
OEM Nummer: B5C283280000






















