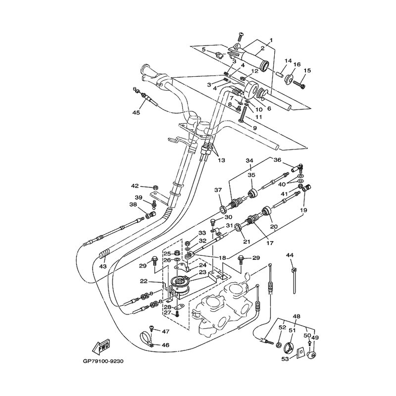
BOLT
Artikelname: BOLT
OEM: 9708R-06012 [9708R0601200]
OEM: 9708R-06012 [9708R0601200]




















