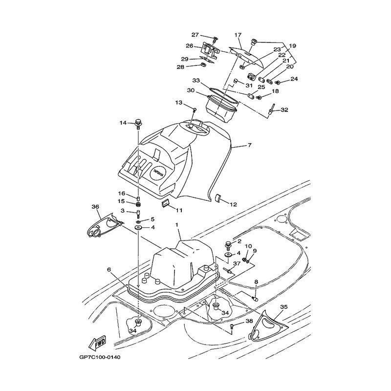
BLECHSCHRAUBE, HALBRUNDKOPF
Artikelname: BLECHSCHRAUBE, HALBRUNDKOPF
OEM: 90160-05804 [901600580400]
OEM: 90160-05804 [901600580400]




















