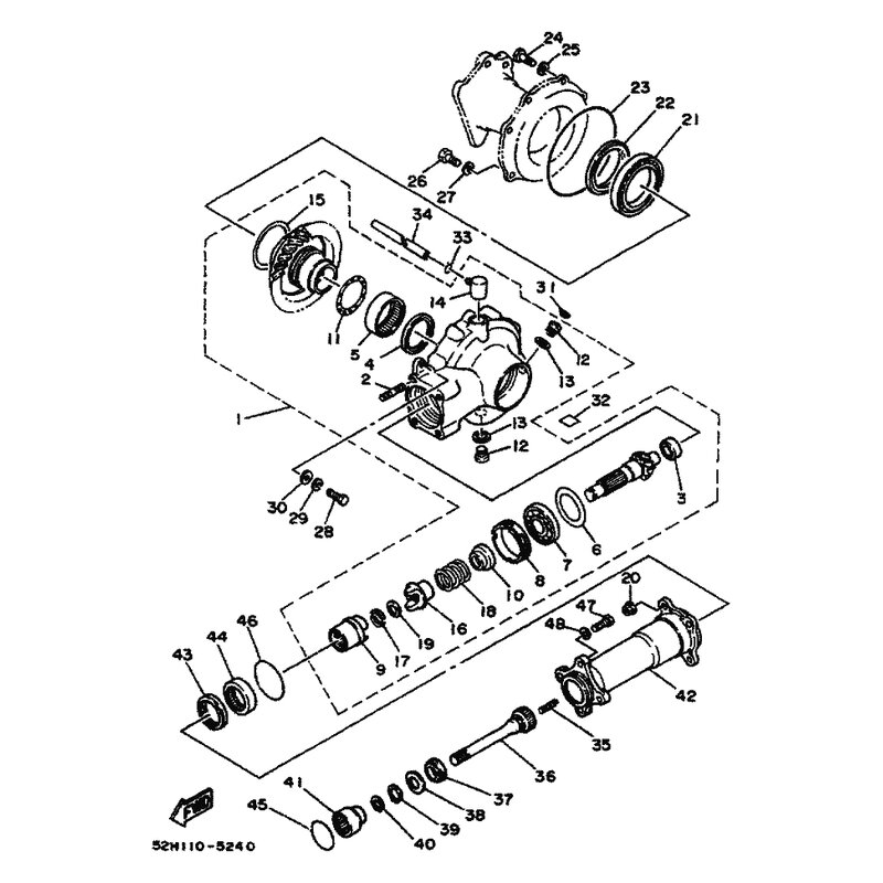
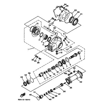
DRUCKFEDER
Artikelname: DRUCKFEDER
OEM: 90501-132A0 [90501132A000]
OEM: 90501-132A0 [90501132A000]






















