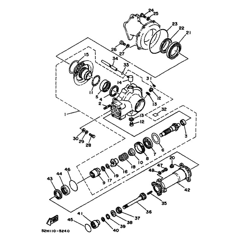
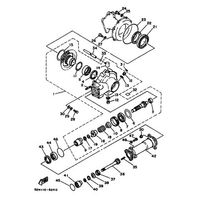
ANTRIEBSWELLE
Artikelname: ANTRIEBSWELLE
OEM: 52H-46172-00 [52H461720000]
OEM: 52H-46172-00 [52H461720000]






















