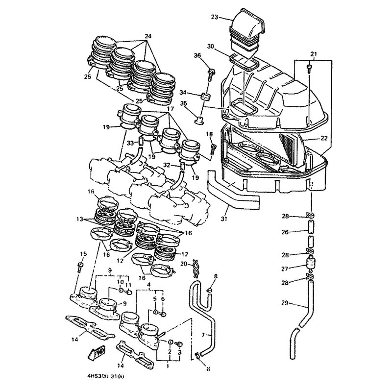
SCHLAUCH
Artikelname: SCHLAUCH
OEM: 90445-116H8 [90445116H800]
OEM: 90445-116H8 [90445116H800]






















