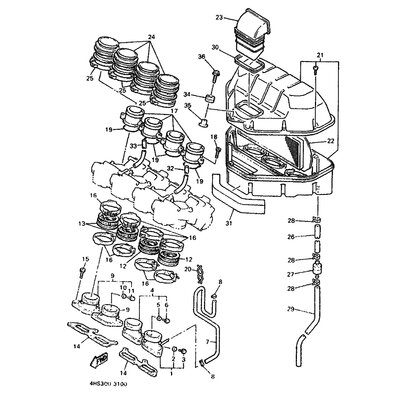
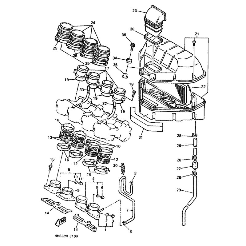
VERBINDUNG, LUFTFILTER 1
Artikelname: VERBINDUNG, LUFTFILTER 1
OEM: 4FN-14453-00 [4FN144530000]
OEM: 4FN-14453-00 [4FN144530000]




















