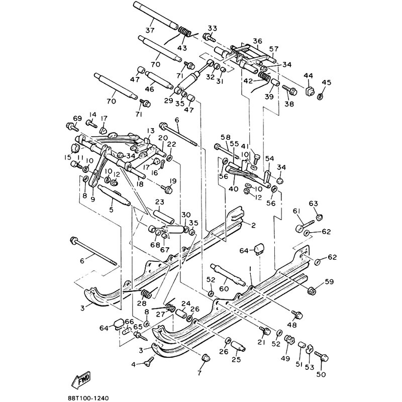
HULSE
Artikelname: HULSE
OEM: 90387-081U4 [90387081U400]
OEM: 90387-081U4 [90387081U400]




















