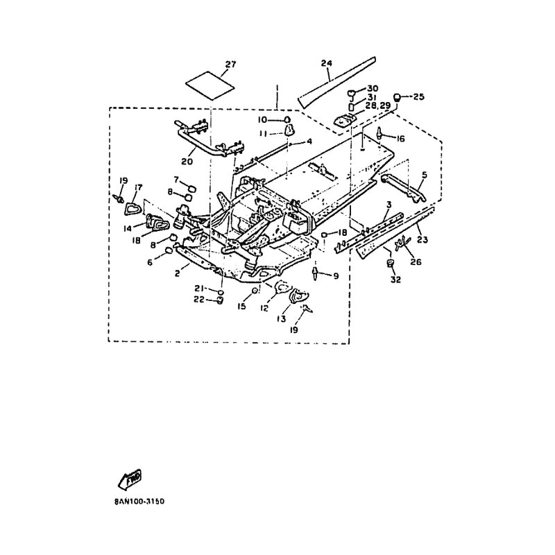
FRAME COMP
Artikelname: FRAME COMP
OEM: 89M-21910-00 [89M219100000]
OEM: 89M-21910-00 [89M219100000]




















