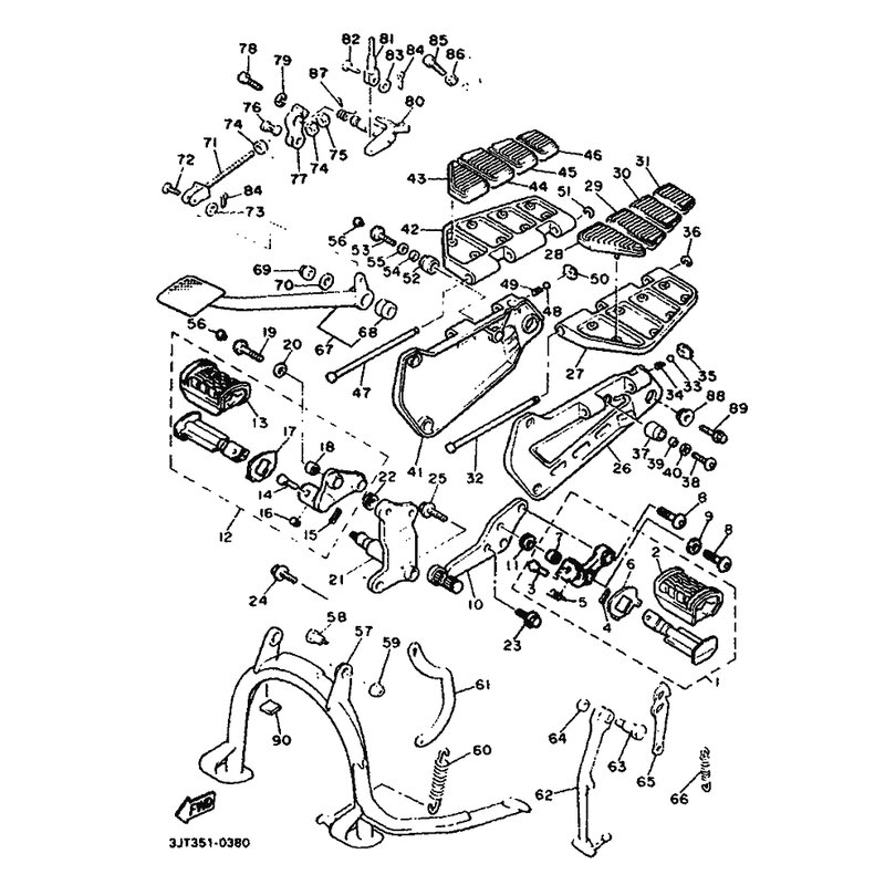
HULSE
Artikelname: HULSE
OEM: 90387-06701 [903870670100]
OEM: 90387-06701 [903870670100]




















