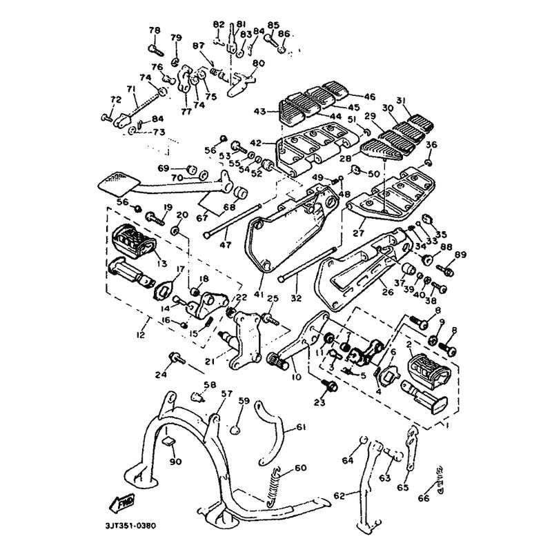
BREMSPEDAL
Artikelname: BREMSPEDAL
OEM: 26H-27200-00-39 [26H272000039]
OEM: 26H-27200-00-39 [26H272000039]




















