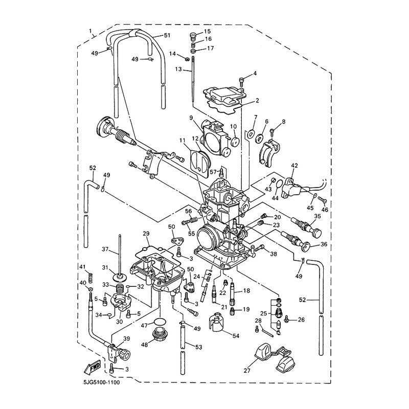
NADEL
Artikelname: NADEL
OEM: 5JG-14916-JS [5JG14916JS00]
OEM: 5JG-14916-JS [5JG14916JS00]




















