NADEL
Artikelname: NADEL
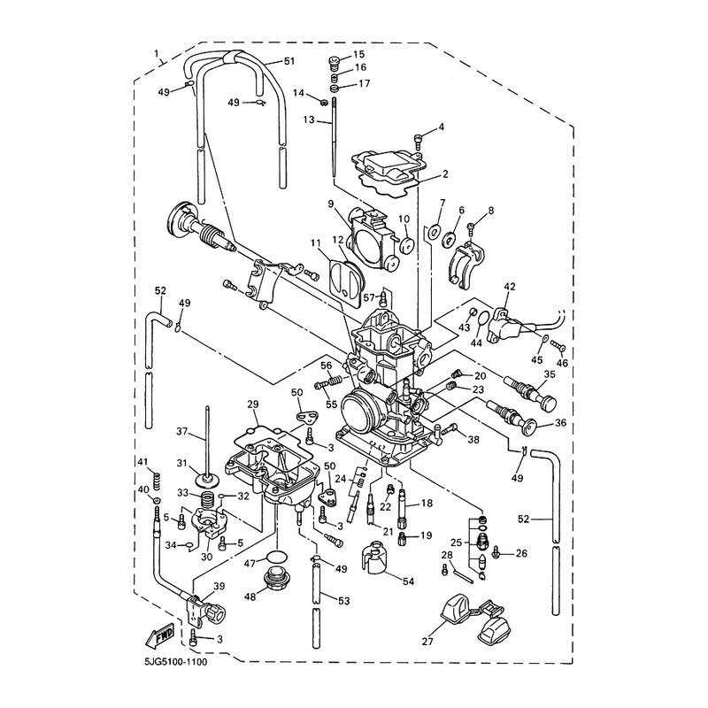
OEM: 5JG-14916-JL [5JG14916JL00]
OEM: 5JG-14916-JL [5JG14916JL00]




















