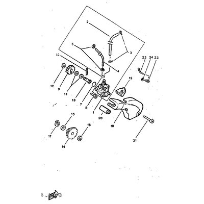
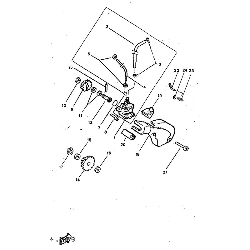
SCHLAUCH, OL 1
Artikelname: SCHLAUCH, OL 1
OEM: 5BK-E316F-00 [5BKE316F0000]
OEM: 5BK-E316F-00 [5BKE316F0000]




















