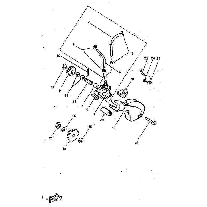
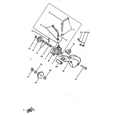
OLPUMPENEINHEIT
Artikelname: OLPUMPENEINHEIT
OEM: 5BK-E3100-00 [5BKE31000000]
OEM: 5BK-E3100-00 [5BKE31000000]




















