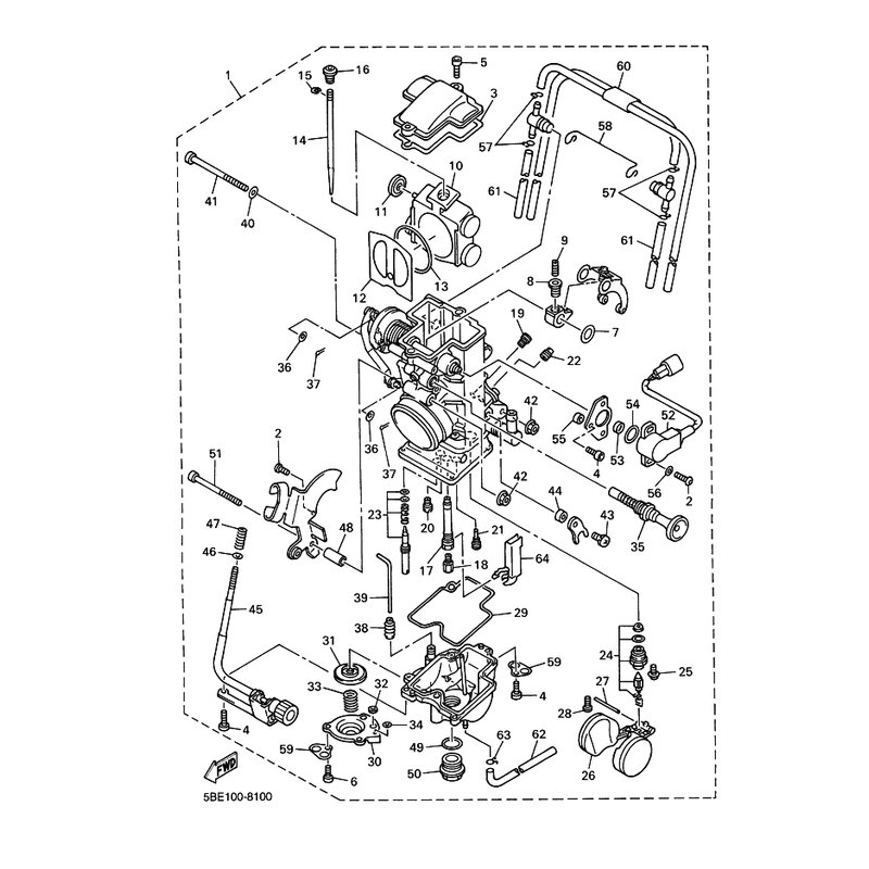
NADEL
Artikelname: NADEL
OEM: 5BE-14916-CN [5BE14916CN00]
OEM: 5BE-14916-CN [5BE14916CN00]






















