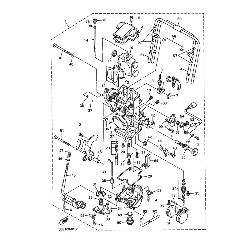
REGELVENTIL, UNTERDRUCK
Artikelname: REGELVENTIL, UNTERDRUCK
OEM: 5BE-14388-00 [5BE143880000]
OEM: 5BE-14388-00 [5BE143880000]






















