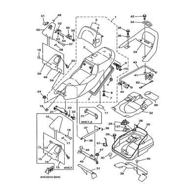
DECKEL, DOPPELSITZ
Artikelname: DECKEL, DOPPELSITZ
Hersteller: Yamaha
OEM Nummer: 4HC2470FB000
Dieser Artikel wurde durch folgenden ersetzt: 4HC2470FB100
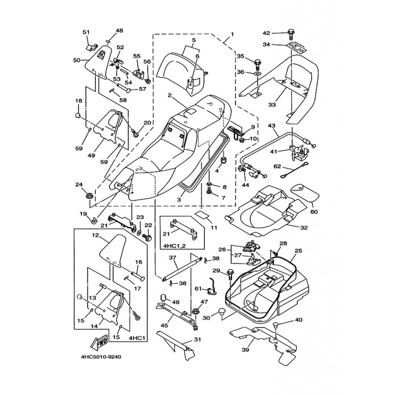
Hersteller: Yamaha
OEM Nummer: 4HC2470FB000
Dieser Artikel wurde durch folgenden ersetzt: 4HC2470FB100






















