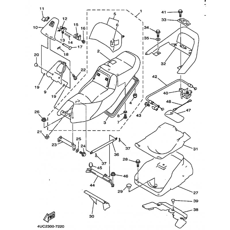
DECKEL, DOPPELSITZ
Artikelname: DECKEL, DOPPELSITZ
Hersteller: Yamaha
OEM Nummer: 4HC2470FA000
Dieser Artikel wurde durch folgenden ersetzt: 4HC2470FA100
Hersteller: Yamaha
OEM Nummer: 4HC2470FA000
Dieser Artikel wurde durch folgenden ersetzt: 4HC2470FA100






















