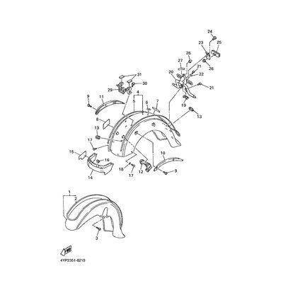
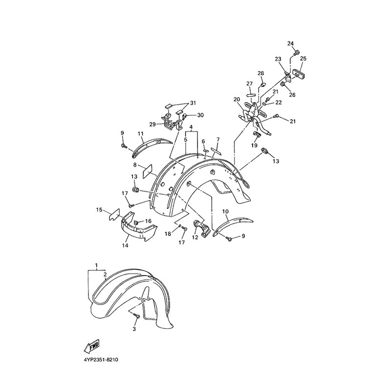
HINTERRAD-KOTFLUGEL KOMPL
Artikelname: HINTERRAD-KOTFLUGEL KOMPL
OEM: 4NK-Y2161-K0-33 [4NKY2161K033]
OEM: 4NK-Y2161-K0-33 [4NKY2161K033]






















