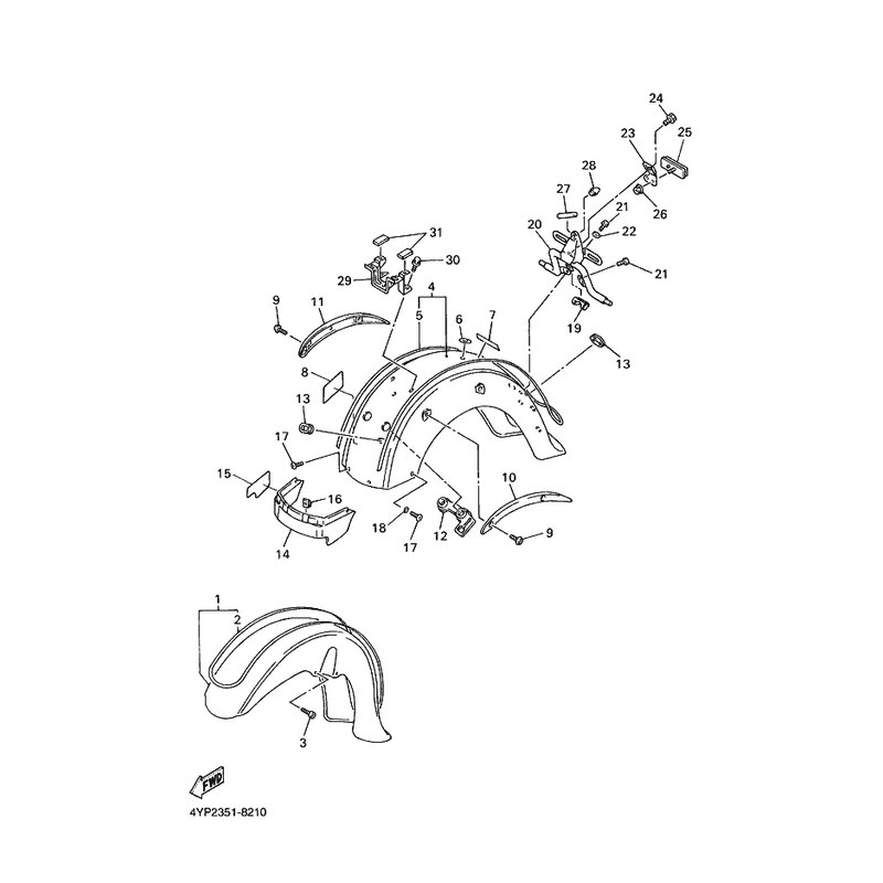
AUFKLEBERSATZ, V. KOTFLUGEL
Artikelname: AUFKLEBERSATZ, V. KOTFLUGEL
OEM: 4NK-21570-90 [4NK215709000]
OEM: 4NK-21570-90 [4NK215709000]






















