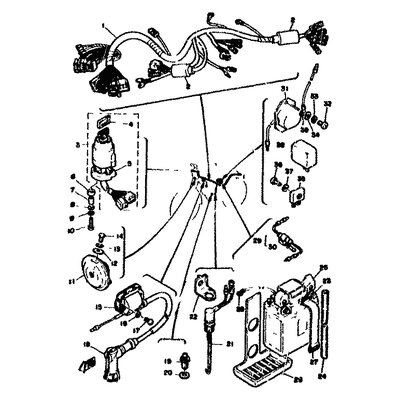
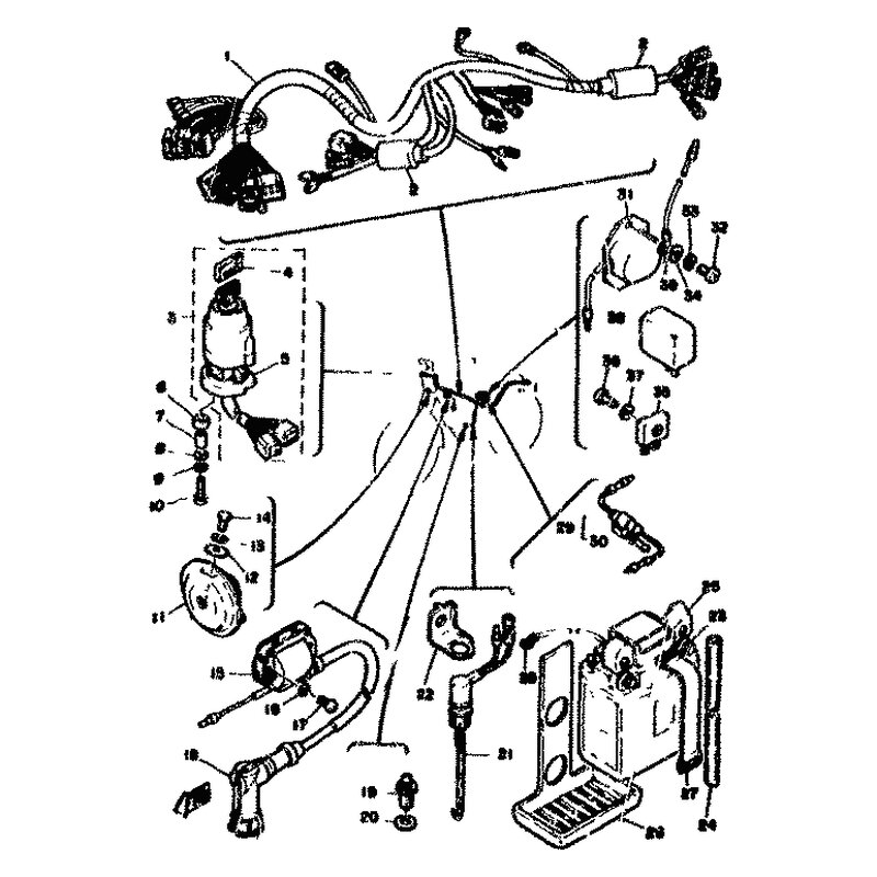
HULSE, HAUPTSCHALTER
Artikelname: HULSE, HAUPTSCHALTER
OEM: 437-82516-00 [437825160000]
OEM: 437-82516-00 [437825160000]




















