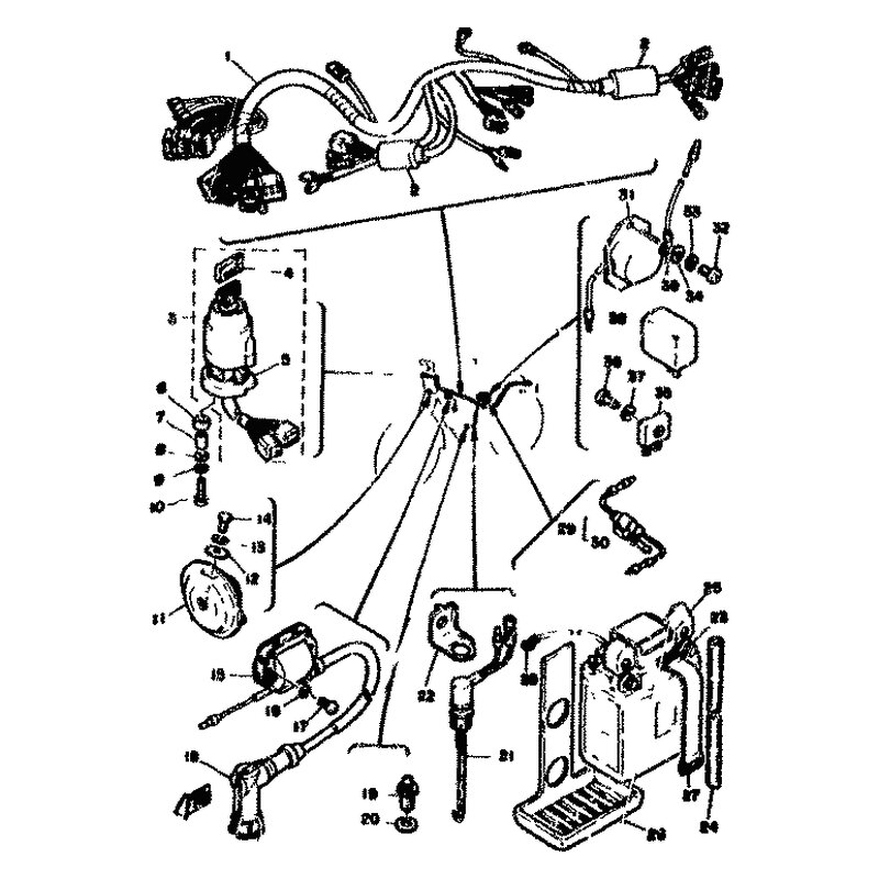
DAMPFER, HAUPTSCHALTER 1
Artikelname: DAMPFER, HAUPTSCHALTER 1
OEM: 2H1-82555-00 [2H1825550000]
OEM: 2H1-82555-00 [2H1825550000]




















