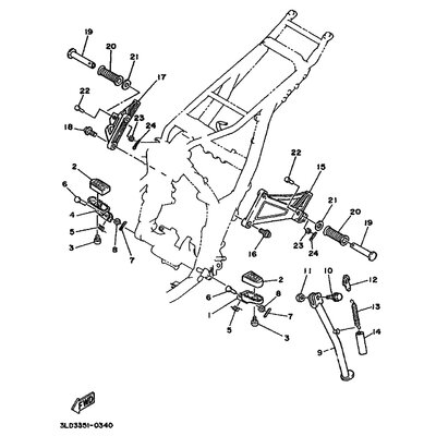
KONSOLE 4
Artikelname: KONSOLE 4
Hersteller: Yamaha
OEM Nummer: 3LD2741L1000
Dieser Artikel wurde durch folgenden ersetzt: 3LD2741L1100
Hersteller: Yamaha
OEM Nummer: 3LD2741L1000
Dieser Artikel wurde durch folgenden ersetzt: 3LD2741L1100






















