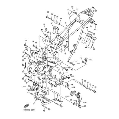
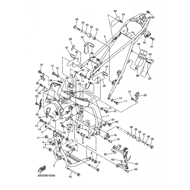
STUTZE, SEITENDECKEL 1
Artikelname: STUTZE, SEITENDECKEL 1
Hersteller: Yamaha
OEM Nummer: 3D7213210000
Hersteller: Yamaha
OEM Nummer: 3D7213210000






















