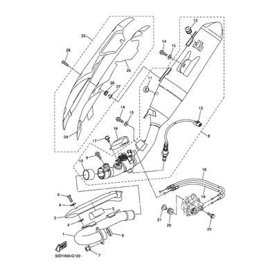
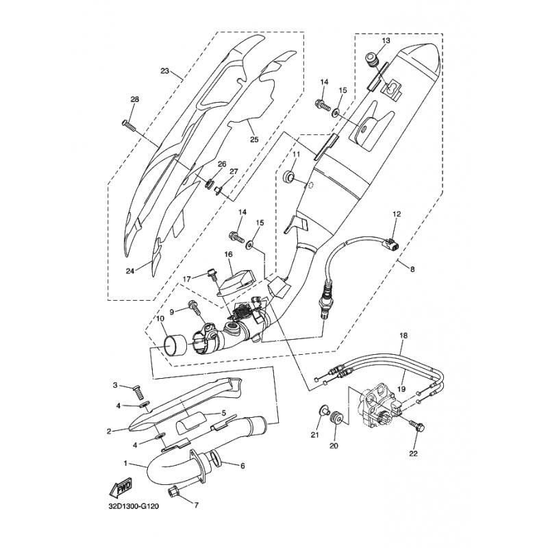
SCHUTZ, SCHALLDAMPFER 2
Artikelname: SCHUTZ, SCHALLDAMPFER 2
Hersteller: Yamaha
OEM Nummer: 3D7147280000
Hersteller: Yamaha
OEM Nummer: 3D7147280000




















