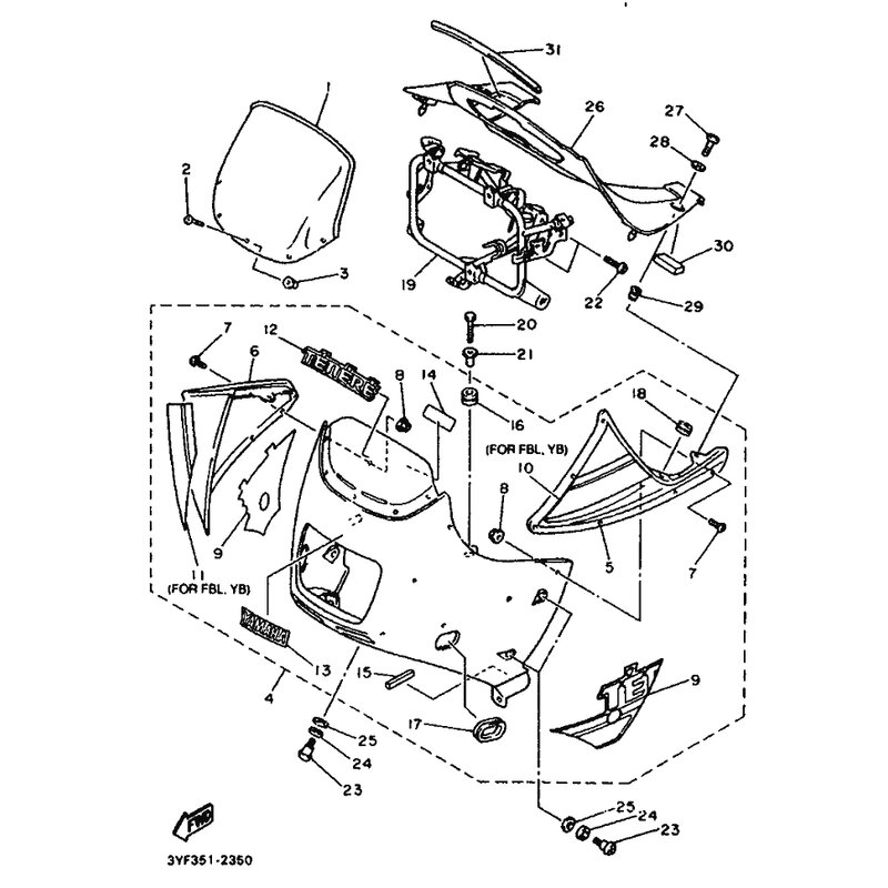
AUFKLEBER, VERKLEIDUNG 1
Artikelname: AUFKLEBER, VERKLEIDUNG 1
OEM: 3YF-28391-40 [3YF283914000]
OEM: 3YF-28391-40 [3YF283914000]






















