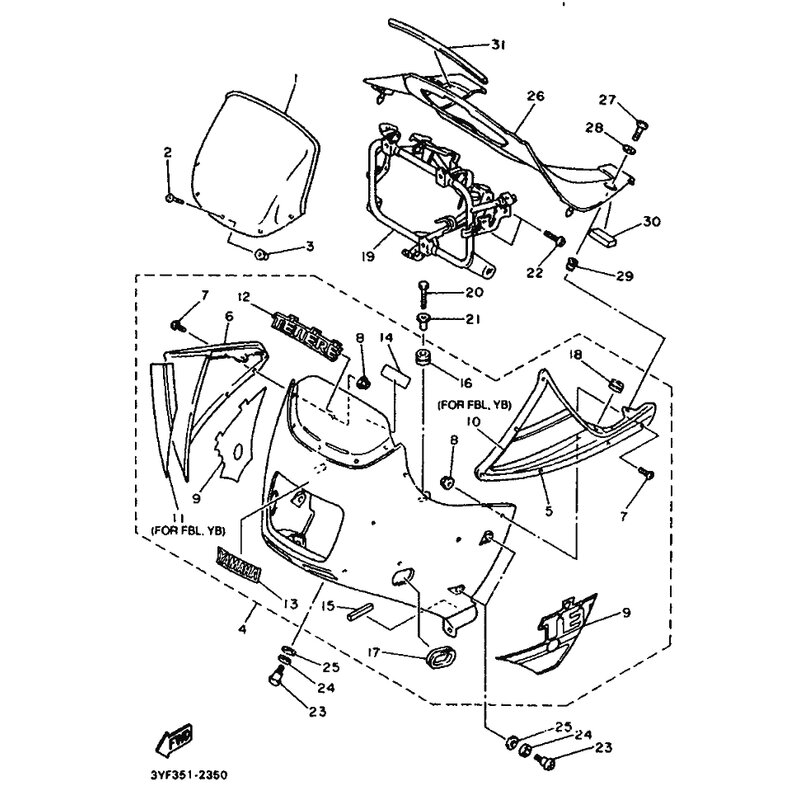
SCHUTZ 2
Artikelname: SCHUTZ 2
OEM: 3YF-2834W-40 [3YF2834W4000]
OEM: 3YF-2834W-40 [3YF2834W4000]






















