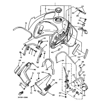
AUFKLEBERSATZ
Artikelname: AUFKLEBERSATZ
OEM: 3YF-24240-51 [3YF242405100]
OEM: 3YF-24240-51 [3YF242405100]






















